
Series N Hinges - 40mm Cup
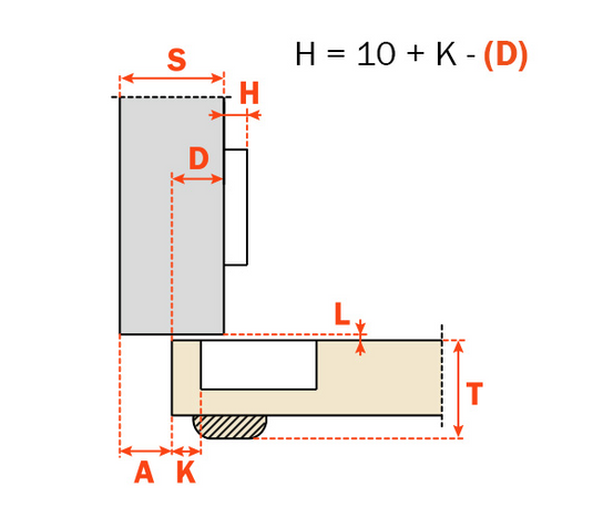
The Salice Series F Hinges are most commonly used on heavier or thicker doors. You will be able tell if you use hinges form this range as the cup size in your door will be 40mm in diameter.
Select a page.