




Description
The Salice Series 200 C2ABA99 hinges is a sprung hinges designed for thicker doors between 19-35mm.
The hinge allows the door to soft close quietly and smoothly whilst still presenting a tidy finish with no adapters required.
This is the most common hinge found on most cupboards. It is designed for cupboards where the door fully overlays the frame of the cupboard, e.g. when the door is closed you cannot see or can only see a fraction of the cupboard frame.
Tech Details
- Full overlay hinge - 0mm crank
- 48mm screw centres
- Wood screw fixing (not supplied)
- To suit door thickness 19-35mm
- 35mm diameter cup
- 11mm deep cup
- 94 Degree opening
- Possible drilling distance (K): 3mm - 9mm
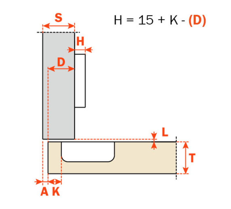
Which mount plate?
This hinge is compatible with all screw-on and clip-on mount plates. To work out the height of the mounting plate required please consult the image below.
Hinge ID
If you are unsure which hinge you have please forward a few photos of your hinge to sales@salicedirect.com
Description
The Salice Series 200 C2ABA99 hinges is a sprung hinges designed for thicker doors between 19-35mm.
The hinge allows the door to soft close quietly and smoothly whilst still presenting a tidy finish with no adapters required.
This is the most common hinge found on most cupboards. It is designed for cupboards where the door fully overlays the frame of the cupboard, e.g. when the door is closed you cannot see or can only see a fraction of the cupboard frame.
Tech Details
- Full overlay hinge - 0mm crank
- 48mm screw centres
- Wood screw fixing (not supplied)
- To suit door thickness 19-35mm
- 35mm diameter cup
- 11mm deep cup
- 94 Degree opening
- Possible drilling distance (K): 3mm - 9mm
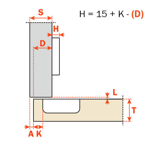
Which mount plate?
This hinge is compatible with all screw-on and clip-on mount plates. To work out the height of the mounting plate required please consult the image below.
Hinge ID
If you are unsure which hinge you have please forward a few photos of your hinge to sales@salicedirect.com